from 01.01.2014 until now
Perm', Perm, Russian Federation
Perm', Perm, Russian Federation
CSCSTI 67.11
CSCSTI 67.01
Russian Classification of Professions by Education 08.04.01
Russian Library and Bibliographic Classification 38
Russian Library and Bibliographic Classification 308
Russian Trade and Bibliographic Classification 54
With the increase of the volume of construction in Russia, the construction of buildings with external walls of multilayer masonry becomes urgent. The article presents the constructive solutions of multilayer walls. The most common problems of exploiting multilayer walls are indicated: the appearance of cracks on the facades of buildings, the destruction of masonry, etc. The main causes of the formation of mass defects are analyzed.
multilayer walls, brickwork, facing brick layer, cracks, expansion joint
На начальных этапах строительства перед застройщиком встает вопрос о выборе оптимального варианта конструкции стен. Конструкция стены может быть однослойной или многослойной. Однослойные стены состоят из кладки и наружной отделки. Возводиться такие стены могут не только из кирпича, но и из ячеистых блоков, пустотелых керамзитобетонных блоков и др. материалов. Нормативный коэффициент теплопроводности таких стен достигается только за счет толщины кладки, так как дополнительный слой теплоизоляции не предусматривается. Таким образом, для выполнения современных теплотехнических требований, необходимо возводить стены большой толщины, что значительно удорожает строительство и делает его невыгодным.
Для улучшения теплофизических свойств, снижения массы зданий и экономии материалов используются многослойные стены. В настоящей работе рассмотрены трёхслойные стены с гибкими связями, облицовочный слой которых выполнен из кирпича. Такие стены состоят из двух продольных стенок (основной и лицевой слои), слоя теплоизоляции и воздушной прослойки. Крепление слоев кладки осуществляется за счет гибких связей (Рис. 1) [1].

Рис.1. Фрагмент трёхслойной стены с гибкими связями
Первые стены, лицевой слой которых выполнен из кирпича, появились еще в первой половине 19 века. Внутренний и наружный слои стены выполнялись из кирпича, роль утеплителя выполняли засыпные материалы, например, опилки или мох. Эти слои соединялись между собой металлическими скобами, закрепляемыми в отверстия, просверленные в кирпиче (Рис.2) [2].

Рис.2. Конструкция многослойной стены первой половины 19 в.
Широкое применение многослойные стены в нашей стране получили в конце 90-х, когда к наружным ограждающим конструкциям стали предъявляться более жесткие требования по термическому сопротивлению. Однако, следует отметить, что в то время еще отсутствовал достаточный опыт проектирования и строительства многослойных стен, в связи с чем при их возведении были допущены ошибки, ставшие очевидными только спустя длительное время в процессе эксплуатации зданий. В действующем тогда СНиП II-22-812012 «Каменные и армокаменные конструкции» (сейчас СП 15.13330.2012) содержались требования к расчету многослойных стен, но не рассматривалась технология их устройства [3].
Лишь в ноябре 2017 года был подписан приказ о введении свода правил СП327.1325800.2017 «Стены наружные с лицевым кирпичным слоем», в котором обозначены правила проектирования кирпичных фасадов. В нем систематизирована вся известная информация о стенах с облицовочным кирпичом. Более подробно приведены методики расчета всех конструктивных элементов, представлены развернутые требования к проектированию, и что не менее важно, разработаны правила эксплуатации, ремонта и технологии устройства.
Анализируя требования СП327.1325800.2017 и существующие технические решения, можно выделить основные причины дефектов многослойных стен с облицовочным слоем из кирпича.
1. Отсутствие горизонтальных и вертикальных деформационных швов.
В раннем строительстве вертикальные деформационные швы часто располагались только в местах сопряжения соседних секций здания.
Их отсутствие в лицевом слое привело к образованию трещин в кирпичной кладке (Рис.3). Чаще всего трещины появляются на углах здания и развиваются достаточно долгое время.

Рис.3. Трещина в лицевом слое кладки на углу здания
Данные дефекты может усугубить отсутствие горизонтальных деформационных швов или их некачественное выполнение, что в свою очередь приводит к разрушению лицевого слоя кладки в уровне перекрытий.
Таким образом, основное назначение деформационных швов - компенсация температурных колебаний, возникающих из-за того, что облицовочный слой кладки зимой почти не прогревается внутренним воздухов, а летом наоборот подвергается влиянию высоких температур. Деформационные швы разрезают конструкцию стены, разделяя ее на отдельные блоки, предотвращая появление дефектов в виде трещин.
Различают температурные и усадочные швы. Температурные швы устраивают для избегания появления трещин в местах, где существует значительная разница температур основной и лицевой кладок. Усадочные швы используют на тех участках стены, где более вероятна неравномерная осадка сооружения.
По высоте здания в лицевой кладке многослойных стен горизонтальные швы устраиваются следующим образом:
- Первый шов под перекрытием второго этажа;
- Далее шов устраивается на каждом этаже под плитой перекрытия или под консольной балкой, на которую устраивается перекрытие (Рис.4).

Рис.4. Горизонтальный деформационный шов под плитой перекрытия: 1 – Внутренняя штукатурка; 2 – Перекрытие; 3 – Сжимаемый утеплитель или монтажная пена; 4 - Нетвердеющая шовная мастика; 5 – Кронштейн; 6 – Гибкая связь; 7 – Утеплитель; 8 - Основная кладка; 9 – Облицовочная кладка
Толщина горизонтальных деформационных швов принимается конструктивно 20–30 мм, но не менее двойной величины расчетного прогиба перекрытия, разграничивающего соседние по вертикали части кладки.
Опорой для следующего ряда облицовочного кирпича (над деформационным швом) должен служить горизонтальный элемент, закрепленный на несущей части стены или перекрытии. В зданиях высотой до 12 м (четыре этажа) допускается выполнять облицовочную кладку без устройства горизонтальных деформационных швов на всю высоту здания.
При устройстве вертикальных деформационных швов рекомендуемые максимальные расстояния между соседними швами для прямолинейных участков стен составляют 6 м для стен южной и западной ориентации, а также 7 м для стен северной и восточной ориентации.
На углах здания вертикальные швы следует располагать на расстоянии 250–500 мм от угла по одной из сторон или непосредственно на стыке плоскостей. Если появляется необходимость увеличения расстояния между температурными швами, то требуется выполнение расчетов температурных деформаций. При этом нужно учесть конструктивные особенности стен, прочих конструкций здания, ориентацию его по сторонам света и климатические условия (Рис.5).

Рис.5. Вертикальный деформационный шов на углу здания: 1 – Наружная стена; 2 – Внутренняя штукатурка; 3 – Закладная петля; 4 – Слой теплоизоляции; 5 – Закладная сетка; 6 – Вязальная проволока; 7 – Растворный зазор; 8 – Защитно-декоративная кладка
Вертикальные деформационные швы устраиваются шириной не менее двойной величины расчетной годовой амплитуды температурных деформаций ограниченных деформационными швами фрагментов кладки. Конструктивно ширина швов принимается равной 10 – 20 мм.
В лицевой кладке деформационные швы следует на глубину не менее 20 мм с наружной стороны заполнять атмосферостойким нетвердеющим герметиком. Для сохранения архитектурного облика здания, цвет герметика следует выбирать максимально близким к цвету кладочного раствора [4].
Выбор метода ремонта кладки с трещинами производится исходя из того, что является причиной появления дефектов. Возможно проведение замены кладки или расшивка и заполнение трещин материалом, стойким к внешним воздействий.
2. Неудовлетворительное крепление облицовочного слоя кирпичной кладки к основным слоям.
Как отмечалось ранее, крепление слоев кладки осуществляется с помощью гибких связей.
Можно выделить следующие наиболее часто встречающиеся ошибки устройства таких связей, которые приводят к аварийным ситуациям:
- Излишняя податливость связи из плоскости стены;
- Излишняя жесткость на сдвиг;
- Недостаточная величина анкеровки стержня в основной и облицовочный слои;
- Большое расстояние между соседними связями;
- Отсутствие у гибкой связи стойкости к коррозии.
В строительной практике известны случаи, когда в качестве гибкой связи использовалась полосовая сталь без предварительной обработки антикоррозионным покрытием, что приводит к обрушению лицевого слоя, так как в утеплителе связь полностью корродирует. Связи из композитных материалов также подвергаются разрушению из-за щелочной среды, присутствующей в растворных швах.
Опыт обследования зданий показывает, что в ранее используемых проектах расстояние между связями назначалось без достаточного обоснования. А на стройке это расстояние и места привязки связей не соблюдались.
Чтобы избежать появления аварийных ситуаций, следует соблюдать нормативные требования, предъявляемые к материалам и расстановке гибких связей.
Гибкие связи могут выполняться в виде отдельных стержней, либо в виде сеток. В качестве материалов для связей могут быть использованы нержавеющая сталь, композитные материалы из стеклопластика, базальтового волокна и углепластика.
Независимо от того в каком виде и из какого материала изготовлена связь к ним предъявляются следующие требования.
Одиночные связи, имеющие анкерное устройство в виде крюка или петли (Рис.6,а), а также сварной сетки следует располагать в шахматном порядке, при этом количество связей на 1 м2 должно быть не менее 5 штук. Диаметр одиночных стержней должен быть не менее 5 мм, а крюка – 50 мм. Связи в виде сеток допускается выполнять из арматуры диаметром 3-5 мм. Если в качестве креплений используются другие устройства (например, связи с утолщением на концах), то на 1 м2 устанавливается не менее 8 связей (Рис.6,б) [1].

Рис. 6. Виды гибких связей: а) Связь с анкерным устройством в виде крюка; б) Связь с утолщением на конце
Расстояние между связями зависит от многих факторов:
- Расстояния между слоями;
- Расстояния между горизонтальными и вертикальными деформационными швами;
- Внешних воздействий;
- Материала и конструкции связи;
- Участка стены, где располагается связь и т.д.
Расстояние между одиночными стержнями не должно превышать по горизонтали 750 мм, по вертикали – не более 500 мм. Данные характеристики зависят от высоты стены и от расстояния между слоями кладки. Связи должны устанавливаться под прямыми углами к поверхности стен с допустимым отклонением до 5 градусов. Вблизи вертикальных температурных швов связи укладываются на расстоянии не менее 2 мм.
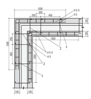
По периметру проемов и на углах зданий нужно устанавливать не менее 3 связей на погонный метр дополнительные связи, с шагом по горизонтали и вертикали не более 25 см (Рис.7).

Рис.7. Схема установки в углах стены гибких связей и связевых сеток: 1 – Угловая сетка; 2 – Гибкая связь
Между связевыми сетками по высоте расстояние не должно превышать 60 см. Сетки из композитных материалов следует устанавливать на всю толщину стены. При этом прочность кладочного раствора должна соответствовать марке не менее М100.
- Некачественная гидроизоляция кладки облицовочного слоя
Для тонкого облицовочного слоя из пустотелого кирпича опасно его увлажнение и последующее замораживание. Часто встречается размораживание кладки в местах устройства горизонтальных деформационных швов при их неудовлетворительной герметизации. Также атмосферная влага проникает в кладку через образующиеся трещины и сколы. Осложняет такую ситуацию конденсация пара, поступающего из помещений.
Для удовлетворения требований влажностного режима конструкцию стен следует проектировать с воздушным вентилируемым зазором, толщина которого определяется расчетом.
Для того чтобы защитить кладку, находящуюся в уроне перекрытия или под деформационным швом, по верху плиты следует выполнять металлические отливы, которые могут выполняться из оцинкованной стали. По верху металлического отлива между слоями стены укладывается слой гидроизоляции таким образом, чтобы при попадании воды, отводить ее наружу (Рис.8)[1].

Рис.8. Схема устройства отлива в уровне перекрытия при опирании наружного слоя на уголок, крепящийся к керамзитобетонной балке: 1 - гидроизоляционный материал; 2 – керамзитобетонная балка с выпусками арматуры; 3 – плита перекрытия; 4 – основная кладка; 5 – утеплитель; 6 – облицовочный кирпич; 7 – металлический уголок; 8 – отлив; 9 – выпуски арматуры.
Исходя из вышеперечисленного можно сделать следующие выводы:
1. Возведение многослойных стен в северных широтах является более эффективным, чем однослойных. Особенно это актуально в с ужесточением строительных нормативов к теплоизоляции наружных ограждающих конструкций.
2. Облегченные стены обладают рядом преимуществ, среди которых можно отметить:
- легкость конструкции, что позволяет снизить нагрузки на фундамент;
- экологичность (низкий радиационный фон, хорошая шумоизоляция);
- возможность устройства нестандартных архитектурных решений фасадов;
- стены с облицовкой из кирпича можно устраивать в зданиях различной степени огнестойкости;
- доступный набор материалов;
- возможность вести монтажные работы в любое время года.
3. Наряду с преимуществами, можно отметить и трудности, возникающие при устройстве и эксплуатации таких стен:
- высокая трудоемкость возведения при недостатке квалифицированной рабочей силы;
- в местах, где перекрытия находятся в контакте с наружным воздухом, происходят теплопотери от стены не менее 20%, через перекрытия в некоторых системах теплопотери могут превышать величину 50 %.
- раздельная деформация наружного и внутреннего слоев кладки, вызванная различными условиями их эксплуатации (основной слой кладки работает только при положительных температурах, тогда как облицовочный слой воспринимает нагрузку отрицательных температур в зимней период).
- высокий объем скрытых работ.
4. Из-за недостаточного опыта возведения многослойных стен с облицовкой из кирпича и отсутствием в конце 20 века соответствующей нормативной базы, в настоящее время появляются множество зданий с дефектами кирпичного фасада. Самой распространенной причиной появления повреждений является отсутствие или некачественное выполнение горизонтальный и вертикальных деформационных швов.
Таким образом, следует отметить, что актуальной задачей будущих исследований является разработка мероприятий по ремонту кирпичных фасадов зданий с многослойными стенами. Помимо этого, для избегания появления дефектов при новом строительстве, необходимо совершенствовать конструктивные решения многослойных стен.
1. SP 327.1325800.2017. External walls with facial brick layer. Rules of design, maintenance and repair.2017. P.33.
2. Malakhova A.N. Constructive Solutions of the Exterior Walls of Brick Buildings // Construction Materials, Equipment, Technologies of the 21st Century. 2009. No. 1. PP. 22-23.
3. Ishchuk M.K. Native experience of construction of buildings with outer light masonry walls. 2009. Pp. 360.
4. SP 15.13330.2012. Stone and armored structures. 2011. P82.



